Hydraulic Inline Valves, Overcenter Valves
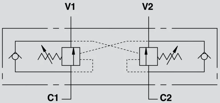
VBCD DE A FLV Series Double Overcenter Valves
Port sizes: From BSP 3/8’’ to BSP 1/2’’
Max. flow: From 40 liter/min up to 60 liter/min
Max. pressure: 350 bar
Overcenter valves have great importance in hydraulic systems and have following features:
Load holding: The overcenter valve prevents the movement of a load when the directional valve is in the neutral position, permitting the use of open center directional valves and negating leakage past the spool of closed center directional valves.
Load control: The overcenter valve prevents the actuator running ahead of the pump due to the load-induced energy, thereby eliminating cavitation in the actuator and loss of control.
Load safety: In the case of hose failure, an overcenter valve mounted onto or into a cylinder will prevent uncontrolled movement of the load. When a cylinder is used in a boom, as in a crane, then hose failure protection is vital as the loss of load control could cause damage to people or property.
These valves are used where there is vital importance in the system.
VBCD DE A FLV series are used to control actuator’s movement and block in both directions. Pressure is adjustable and sensitive. They can be used on crane booms and can easily mounted on cylinder with special screw.
|
Code |
Type |
Pilot ratio |
Max. flow |
Max. pressure |
|
V0422/FLV |
VBCD 3/8” DE A FLV |
1:4.5 |
40 |
350 |
|
V0432/FLV |
VBCD 1/2“ DE A FLV |
1:4.5 |
60 |
350 |
|
* Standard setting is 320 bar |
||||
All original manufacturer’s names, part numbers and description are for reference purposes only and it does not imply that any Part listed is the product of these manufacturers
© 2025 • All Rights Reserve