Products

VBCD DE CC Series

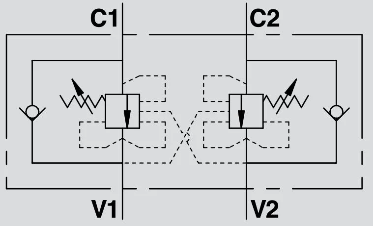
Hydraulic Inline ValvesOvercenter Valves

VBCD DE CC Series Double Overcenter Valves

Port sizes: From BSP 3/8’’ to BSP 3/4’’
Max. flow: From 35 liter/min up to 105 liter/min
Max. pressure: 350 bar

Overcenter valves have great importance in hydraulic systems and have following features:

Load holding: The overcenter valve prevents the movement of a load when the directional valve is in the neutral position, permitting the use of open center directional valves and negating leakage past the spool of closed center directional valves.

Load control: The overcenter valve prevents the actuator running ahead of the pump due to the load-induced energy, thereby eliminating cavitation in the actuator and loss of control.

Load safety: In the case of hose failure, an overcenter valve mounted onto or into a cylinder will prevent uncontrolled movement of the load. When a cylinder is used in a boom, as in a crane, then hose failure protection is vital as the loss of load control could cause damage to people or property.

These valves are used where there is vital importance in the system.

VBCD DE CC series are ideal when other models can not operate properly. If the control valve is closed center, this valve will be a good choice.

 

Code

Type

Pilot ratio

Max. flow
liter/min

Max. pressure
bar

V0441

VBCD 3/8” DE CC

1:3.1

35

350

V0441/RP18

VBCD 3/8” DE CC RP 1:8

1:8

35

350

V0442

VBCD 1/2“ DE CC

1:3.1

50

350

V0442/RP18

VBCD 1/2” DE CC RP 1:8

1:8

50

350

V0443

VBCD 3/4“ DE CC

1:5.5

105

350

V0443/RP18

VBCD 3/4” DE CC RP 1:8

1:8

105

350

* Standard setting is 320 bar

Product Description

Get a Quote

Fill out the form below to receive a free, no-obligation quote tailored to your needs. Whether you’re planning a project or exploring options, our team will provide accurate pricing and details promptly. It’s quick, easy, and helps you make informed decisions. Let’s get started today!