Products

VBCDF DE MPMR Series

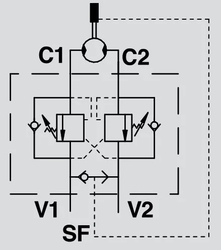
Hydraulic Inline ValvesOvercenter Valves

VBCDF DE MP/MR Series Double Overcenter Valves

Port sizes: BSP 1/2’’
Max. flow: 50 liter/min
Max. pressure: 350 bar

Overcenter valves have great importance in hydraulic systems and have following features:

Load holding: The overcenter valve prevents the movement of a load when the directional valve is in the neutral position, permitting the use of open center directional valves and negating leakage past the spool of closed center directional valves.

Load control: The overcenter valve prevents the actuator running ahead of the pump due to the load-induced energy, thereby eliminating cavitation in the actuator and loss of control.

Load safety: In the case of hose failure, an overcenter valve mounted onto or into a cylinder will prevent uncontrolled movement of the load. When a cylinder is used in a boom, as in a crane, then hose failure protection is vital as the loss of load control could cause damage to people or property.

These valves are used where there is vital importance in the system.

VBCDF DE MP/MR series are used to control actuator’s movement and block in both directions. They can be assembled on MP/MR series hydraulic motors directly and provide maximum safety.

 

Code

Type

Pilot ratio

Max. flow
liter/min

Max. pressure
bar

V0425

VBCDF 1/2” DE OMP-OMR

1:4.5

50

350

V0425/SF

VBCDF 1/2” DE OMP-OMR SF

1:4.5

50

350

* Standard setting is 320 bar, suitable for MP/MR series hydraulic motors

Product Description

Get a Quote

Fill out the form below to receive a free, no-obligation quote tailored to your needs. Whether you’re planning a project or exploring options, our team will provide accurate pricing and details promptly. It’s quick, easy, and helps you make informed decisions. Let’s get started today!