Products

VRAP SE SV Series

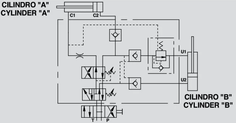
Hydraulic Inline ValvesPlough-overturning-valves

VRAP SE SV Series Plough Overturning Valves with alignment for in Farrow Ploughs

Max. exchange pressure: 230 bar
Max. pressure: 400 bar

Product Description

Get a Quote

Fill out the form below to receive a free, no-obligation quote tailored to your needs. Whether you’re planning a project or exploring options, our team will provide accurate pricing and details promptly. It’s quick, easy, and helps you make informed decisions. Let’s get started today!